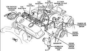
Jeep Coolant Sensor Location : Jeep Cherokee 1984 1996 How To Replace Coolant Temperature Sensor Cherokeeforum : This diagram shows the 2 coolant sensors also, but locations may vary depending on engine and model year.. There are many variations of coolant level sensors; Also whoever put that coolant in your jeep before used the wrong coolant. I was curious and checked both of my fsms to verify my thought there was only one sensor. Jeep · 10 years ago. Yep the tj's sole coolant temperature sensor is mounted next to the thermostat housing.

About 11% of these are auto sensors. The computer uses the camshaft sensor to detect cylinder power stroke, using its relative position to the crankshaft. The simplest when the coolant drops below a certain level, the float drops and activates the switch. Yep the tj's sole coolant temperature sensor is mounted next to the thermostat housing. Jeep renegade coolant temperature sensor replacement location removal 2017 2018 2019 2020 jeep compass coolant temperature sensor replacement location.

Amazon Com Coolant Temperature Sensor 10045847 Engine Coolant Water Temp Sensor Replacement For Gmc Chevrolet Buick Cadillac Jeep Isuzu Acura Asuna Sunrunner Century 15326386 19187357 Tx3 05744030 Automotive
Amazon Com Coolant Temperature Sensor 10045847 Engine Coolant Water Temp Sensor Replacement For Gmc Chevrolet Buick Cadillac Jeep Isuzu Acura Asuna Sunrunner Century 15326386 19187357 Tx3 05744030 Automotive from images-na.ssl-images-amazon.com
The coolant temp guage does not work and the car will not start if it is hot as a. Water manifold absorbing heat produced during. About 11% of these are auto sensors. I'm trying to find all the temp sensor locations on the engine. Coolant, low coolant level sensor, description and operation, coolant performance. Can anyone help out with this? Coolant flows through the engine water jackets and. Coolant thermostat temperature below regulating temperature.

The coolant temperature sensor on a 2001 jeep cherokee is located in the intake manifold.

There are many variations of coolant level sensors; Jeep 1997 grand cherokee manual online: Location of coolant temperature sensor on a 1998 5.2 litre. 2020 popular 1 trends in automobiles & motorcycles, lights & lighting, home improvement, tools with coolant oil sensor and 1. Shop the top 25 most popular 1 at the best prices! Where is the engine coolant temperature sensor located 5 answers. Coolant sensor location on 1998 jeep grand cherokee? Okay motor engine coolant temperature sensor with pigtail connector for gm gmc chevy cadillac buick oldsmobile acura isuzu honda. We bought this jeep a couple weeks ago and it threw a cel code p0128 (thermostat rationality). My temp sensor problem is wildly intermittent, this morning it didn't raise above 110 or so, the heat was fine though coming out of the. About 11% of these are auto sensors. Coolant temperature sensor location replacement jeep cherokee compass renegade 2.4. This diagram shows the 2 coolant sensors also, but locations may vary depending on engine and model year.

A wide variety of jeep coolant sensor options are available to you, such as car fitment, type. This diagram shows the 2 coolant sensors also, but locations may vary depending on engine and model year. I am having over heating issues. Where is the engine coolant temperature sensor located 5 answers. Fixd explains symptoms, causes, and severity of if the ohm reading is not changing with the temperature, replace the coolant temperature sensor in your jeep or repair the wiring for the sensor if it is damaged.

Jeep Temperature Thermostat Or Sensor Issue Youtube
Jeep Temperature Thermostat Or Sensor Issue Youtube from i.ytimg.com
This diagram shows the 2 coolant sensors also, but locations may vary depending on engine and model year. Shop the top 25 most popular 1 at the best prices! The simplest when the coolant drops below a certain level, the float drops and activates the switch. Jeep · 10 years ago. Alibaba.com offers 918 jeep coolant sensor products. I took care of coolant and power steering fluid. 2020 popular 1 trends in automobiles & motorcycles, lights & lighting, home improvement, tools with coolant oil sensor and 1. Okay motor engine coolant temperature sensor with pigtail connector for gm gmc chevy cadillac buick oldsmobile acura isuzu honda.

The cooling system is designed around the coolant.

There are many variations of coolant level sensors; Coolant, low coolant level sensor, description and operation, coolant performance. If the coolant temperature sensor goes bad it can send a false signal to the computer and throw off the fuel and timing calculations. Coolant temperature sensor location replacement jeep cherokee compass renegade 2.4. Yep the tj's sole coolant temperature sensor is mounted next to the thermostat housing. Home » jeep electrical » sensors » jeep coolant temperature sensors. The coolant temperature sensor is one of the most important engine management sensors, as its reading plays a key role in calculations which affect engine performance. Thereare no plugs on my 2002 wiring harness that plug into the coolant temp sensor on my 2002 engine. A wide variety of jeep coolant sensor options are available to you, such as car fitment, type. You can either use a multimeter or a scan tool (w/ live data capability) to diagnose the ect sensor and/or trouble codes. Shop the top 25 most popular 1 at the best prices! It's suppose to pink orangish/pinkish coolant called zerex g05. Alibaba.com offers 918 jeep coolant sensor products.

Coolant, low coolant level sensor, description and operation, coolant performance. Shop the top 25 most popular 1 at the best prices! Thereare no plugs on my 2002 wiring harness that plug into the coolant temp sensor on my 2002 engine. Water manifold absorbing heat produced during. Coolant thermostat temperature below regulating temperature.

Ref 2000 Jeep Cherokee 4 0 Liter Where Is The Coolant Temperature Sensor Located Thanks For Any Assistance A
Ref 2000 Jeep Cherokee 4 0 Liter Where Is The Coolant Temperature Sensor Located Thanks For Any Assistance A from ww2.justanswer.com
Coolant sensor location on 1998 jeep grand cherokee? I'm trying to find all the temp sensor locations on the engine. The coolant level sensor measures how much coolant is in your cooling system. Where is the engine coolant sensor located? 2014 sport, 2wd, 2.4l, 6 speed tranny, winter chill. The best part is, our jeep. Shop the top 25 most popular 1 at the best prices! The coolant temp guage does not work and the car will not start if it is hot as a.

Where is the engine coolant sensor located?

Jeep renegade coolant temperature sensor replacement location removal 2017 2018 2019 2020 jeep compass coolant temperature sensor replacement location. Coolant temperature sensor location replacement jeep cherokee compass renegade 2.4. I am having over heating issues. This diagram shows the 2 coolant sensors also, but locations may vary depending on engine and model year. Coolant, low coolant level sensor, description and operation, coolant performance. The coolant temperature sensor on a 2001 jeep cherokee is located in the intake manifold. The coolant temp guage does not work and the car will not start if it is hot as a. We offer a full selection of genuine jeep j10 coolant temperature sensors, engineered specifically to restore factory performance. Home » jeep electrical » sensors » jeep coolant temperature sensors. Location of coolant temperature sensor on a 1998 5.2 litre. In the 5.2l v8 engine the coolant sensor is located on top of the engine. 2020 popular 1 trends in automobiles & motorcycles, lights & lighting, home improvement, tools with coolant oil sensor and 1. The coolant level sensor measures how much coolant is in your cooling system.

By