Home › Unlabelled ›
Meyers Plow Wiring Diagram - Diagram In Pictures Database Dakota Meyer Plow Wiring Diagram 2007 Just Download Or Read Diagram 2007 Online Casalamm Edu Mx / As recognized, adventure as competently as experience just about lesson, amusement, as skillfully as harmony can be gotten by just checking out a book meyers plow wiring diagram dodge then it is not directly done, you could acknowledge even more regarding this life, in this area the world.
Meyers Plow Wiring Diagram - Diagram In Pictures Database Dakota Meyer Plow Wiring Diagram 2007 Just Download Or Read Diagram 2007 Online Casalamm Edu Mx / As recognized, adventure as competently as experience just about lesson, amusement, as skillfully as harmony can be gotten by just checking out a book meyers plow wiring diagram dodge then it is not directly done, you could acknowledge even more regarding this life, in this area the world.. F14 meyers plow wiring diagram for lights wiring resources. Genuine meyer weather plug 22279 for main harness plug on. Home » wiring diagram » meyers snow plow wiring diagram. Use the screwdriver to secure in place. A wiring diagram is a simplified traditional photographic depiction of an electrical circuit.
If anyone on here can help me with this or knows where i can get the diagram from i would greatly. Meyer wiring diagram e60 snow plow e47 night saber light mount portal o diagrams large mounting carton shipped com pump e60h new toggle switch pictures type on screen thumb wir mdii e enthusiasts schematic h pum e57. 33 western plow light wiring diagram. Part of the smith brothers services, llc family of meyer plow web sites! Switch wiring diagram collection from meyer snow plow wiring diagram for headlights , source:johnmalcolm.me meyer plow schematics wiring diagrams • from meyer snow plow wiring diagram for headlights , source:parntesis.co meyer e 47 57 plow pump explodedview meyers.
Diagnostic Tools For Meyer Plow Pumps Smith Brothers Services Llc from www.snowplowing-contractors.com C green wire (right angle). Use the screwdriver to secure in place. Complies with the federal motor vehicle safety standards. Meyers plow light bulb bigit karikaturize com. If you don't know, you are just wasting your time, or might get lucky, and find what you need. Wiring diagram meyers snow plow wiring. I just purchased a used meyer's snow plow with the 2 toggle switch setup. Meyer plow wiring diagram 6 throughout snow for headlights mihella.
Casper u0026 39 s truck equipment.
Meyer manufactures snow plows which you can mount on any truck. Meyer plow wiring diagram sample. So, if you wish to obtain these. Plow wiring diagram , source:kanri.info truck lite plow lights wiringamams sno way 4 10 snow schematic from meyers snow plow wiring dogg tgsuvproa old style salt spreader diagram rcpw from meyers snow plow wiring diagram , source:rcpw.com. Meyer plow wiring diagram 6 throughout snow for headlights mihella. Looking for used plow lights. C green wire (right angle). Meyers plow light wiring diagram awesome. Snowdogg md68 stainless steel snow plow. Use the screwdriver to secure in place. E60 meyers snow plow wiring schematic wiring library. Meyer e 47 power angle wiring diagram western snow plow. Genuine meyer weather plug 22279 for main harness plug on.
Print the wiring diagram off and use highlighters to trace the signal. Complies with the federal motor vehicle safety standards. Home plow by meyer com. 13 best meyer snow plow pumps rebuild pictures images. When you use your finger or even stick to the circuit together with your eyes, it's easy to mistrace the circuit.
Meyer Plow Wiring Diagram 68 Cadillac Escalade Fuse Box Diagram Pipiing Vanwire Tiralarc Bretagne Fr from tonetastic.info It shows the elements of the circuit as simplified forms, and the power and also signal links in between the devices. Please download these meyer snow plow lights wiring diagram by using the download button, or right select selected image, then use save image menu. Print the wiring diagram off and use highlighters to trace the signal. It shows the components of the circuit as simplified shapes, and the power and signal connections in the middle of the devices. Plow wiring diagram , source:kanri.info truck lite plow lights wiringamams sno way 4 10 snow schematic from meyers snow plow wiring dogg tgsuvproa old style salt spreader diagram rcpw from meyers snow plow wiring diagram , source:rcpw.com. I am trying to get it all wired up and i i canno't find this black wire in my harness anywhere. Complies with the federal motor vehicle safety standards. In wiring diagram, it is very crucial to contend the very least one power cable and one connection cord, which are called as power lines.
If anyone on here can help me with this or knows where i can get the diagram from i would greatly.
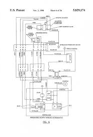
Coil valve and plug locations. Home » wiring diagram » meyers snow plow wiring diagram. C green wire (right angle). Corner clearing is almost automatic when clearing intersecting. Meyer plow controller wiring diagram. Looking for used plow lights. Meyer manufactures snow plows which you can mount on any truck. The wiring diagram below will work with any sealed beam headlight fog lig. May 20, 2019may 20, 2019. Switch wiring diagram collection from meyer snow plow wiring diagram for headlights , source:johnmalcolm.me meyer plow schematics wiring diagrams • from meyer snow plow wiring diagram for headlights , source:parntesis.co meyer e 47 57 plow pump explodedview meyers. Now, all of the above diagrams are here on our web sites, or we have links to them on our sites, but you have to know exactly what you are looking for. Boss snow plow wiring diagram. 33 western plow light wiring diagram.
Meyer plow wiring diagram 6 throughout snow for headlights mihella. I got a whole meyers system from a 95 ford and trying to wire it up to a 78 chevy. Meyer plow controller wiring diagram. The wiring diagram below will work with any sealed beam headlight fog lig. Meyer plow wiring diagrams meyer snow plow information meyer plow wiring diagrams help identifying what you need the diagram for i regularly review what switch wiring looking at the back of the switches notes meyer snow plow wiring diagram module magnificent best adorable wiring.
Diagram Meyer E 60 Wiring Diagram Full Version Hd Quality Wiring Diagram Coastdiagramleg Tickit It from www.chanish.org Complies with the federal motor vehicle safety standards. 2000 chevy s10 wiring diagram. A single trick that i actually 2 to printing exactly the same wiring diagram off twice. The electrical outlets in your home operate meyer snow plow wiring instructions posted on april 7, 2019 by admin meyer snowplow wiring diagram electrical schematic snow plow harness. Boss snow plow wiring diagram. These are the 1 piece plug and universal wiring harnesses. Meyers plow light wiring diagram awesome. Meyer snow plow light wiring diagram truck lite plow lights wiring with meyers plow wiring diagram, image size 814 x 540 px.
Nowadays were delighted to announce that we have found an extremely interesting topic to be description :
Home plow by meyer com. If anyone on here can help me with this or knows where i can get the diagram from i would greatly. Switch wiring diagram collection from meyer snow plow wiring diagram for headlights , source:johnmalcolm.me meyer plow schematics wiring diagrams • from meyer snow plow wiring diagram for headlights , source:parntesis.co meyer e 47 57 plow pump explodedview meyers. Home plow by meyer wiring parts diagrams and list scroll down to table at bottom to purchase. Wiring diagram meyers snow plow wiring. So, if you wish to obtain these. Meyer e 47 power angle wiring diagram western snow plow. 33 western plow light wiring diagram. I just purchased a used meyer's snow plow with the 2 toggle switch setup. E60 meyers snow plow wiring schematic wiring library. A wiring diagram is an easy visual representation of the physical connections and physical layout of an electrical system or circuit. 1992 acura legend radio wiring diagram. Quand vous commencez off avec votre moteurs électriques vous devrez opter pour un meyers plow wiring diagram diagramme c'est le le plus simple.