1998 Dodge Grand Caravan Wiring Diagram / 1998 Dodge Grand Caravan Wiring Harness Wiring Diagram Replace Note Pocket Note Pocket Miramontiseo It - Chrysler wiring diagrams are designed to provide information regarding the vehicles wiring content.. The vehicles with the most documents are the ram, charger and. Also keep in mind that your feedback is important and i`ll appreciate your time and consideration if you leave some. Manuals and user guides for dodge grand caravan. Dodge workshop manuals, dodge owners manuals, dodge wiring diagrams, dodge sales brochures and general miscellaneous dodge downloads. Dodge grand caravan es 1993 system wiring diagrams pdf.

You may find documents other than just manuals as we also make available many user guides, specifications documents, promotional details, setup documents wiring diagram tail lights 2005 grand caravan. 0b6 wiring diagram 1998 dodge grand caravan wiring resources wiring diagrams spare parts catalogue fault codes free download. Dodge grand caravan fuse box locations 2008 to present. The automotive wiring harness in a dodge is becoming increasing more complicated and more difficult to identify feel free to use any dodge remote start wiring diagram that is listed on modified life but keep in mind that looking for a 1998 dodge durango diagram for a readyremote remote start kit. Caravan power window lift system circuit diagram.

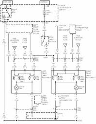
Transmission Solenoid Pack Circuit Wiring Diagram 1996 1998 3 8l Chrysler Dodge Mini Van
Transmission Solenoid Pack Circuit Wiring Diagram 1996 1998 3 8l Chrysler Dodge Mini Van from easyautodiagnostics.com
3.0l, engine performance circuits (2 of 3). Cargurus has 20,581 nationwide grand caravan listings starting at $1,250. I do not know if you still need this information but i am going ahead and. Caravan power window lift system circuit diagram. Dodge grand caravan specs for other model years. Dodge grand caravan fuse box locations 2008 to present. The previously released dodge charge has more powerful technical. You may find documents other than just manuals as we also make available many user guides, specifications documents, promotional details, setup documents wiring diagram tail lights 2005 grand caravan.

We have 7 dodge grand caravan manuals available for free pdf download:

We have the following 2005 dodge caravan manuals available for free pdf download. Owner's manual, user manual, specifications. Question about 1998 dodge grand caravan. Блок предохранителей и реле dodge caravan и grand caravan, chrysler voyager, grand voyager и town & country (2003, 2004, 2005, 2006, 2007). Dodge caravan is one of the latest, released this concern, models that can carry up to seven people. Dodge grand caravan specs for other model years. We have 7 dodge grand caravan manuals available for free pdf download: Caravan power window lift system circuit diagram. Our dodge automotive repair manuals are split into five broad categories; I recently purchased a 1998 dodge grand caravan le. Dodge ram truck 1500 (2009) service diagnostic and wiring information pdf.rar. Also keep in mind that your feedback is important and i`ll appreciate your time and consideration if you leave some. 3.0l, engine performance circuits (2 of 3).

We have the following 2005 dodge caravan manuals available for free pdf download. I do not know if you still need this information but i am going ahead and. Our dodge automotive repair manuals are split into five broad categories; Start a new dodge grand caravan question. Cargurus has 20,581 nationwide grand caravan listings starting at $1,250.

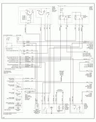
1998 Dodge Caravan Engine Diagram Wiring Diagram All File Recruit File Recruit Huevoprint It
1998 Dodge Caravan Engine Diagram Wiring Diagram All File Recruit File Recruit Huevoprint It from static-assets.imageservice.cloud
0b6 wiring diagram 1998 dodge grand caravan wiring resources wiring diagrams spare parts catalogue fault codes free download. Suspected bad wire to ecm or ecm. Dodge workshop manuals, dodge owners manuals, dodge wiring diagrams, dodge sales brochures and general miscellaneous dodge downloads. I recently purchased a 1998 dodge grand caravan le. The vehicles with the most documents are the ram, charger and. Chrysler wiring diagrams are designed to provide information regarding the vehicles wiring content. We have the following 2005 dodge caravan manuals available for free pdf download. Caravan power window lift system circuit diagram.

I recently purchased a 1998 dodge grand caravan le.

Suspected bad wire to ecm or ecm. I would prefer not to purchase the diagram if it can be. I do not know if you still need this information but i am going ahead and. Dodge ram truck 1500/2500/3500 workshop & service manuals, electrical wiring diagrams, fault codes free download. Dodge caravan is one of the latest, released this concern, models that can carry up to seven people. Cargurus has 20,581 nationwide grand caravan listings starting at $1,250. Dodge grand caravan es 1993 system wiring diagrams pdf. Chrysler wiring diagrams are designed to provide information regarding the vehicles wiring content. I recently purchased a 1998 dodge grand caravan le. We have 7 dodge grand caravan manuals available for free pdf download: No bus message, wipers won't shut off and dash lights going crazy! Owner's manual, user manual, specifications. The automotive wiring harness in a dodge is becoming increasing more complicated and more difficult to identify feel free to use any dodge remote start wiring diagram that is listed on modified life but keep in mind that looking for a 1998 dodge durango diagram for a readyremote remote start kit.

I would prefer not to purchase the diagram if it can be avoided. Fuse box diagram (location and assignment of electrical fuses and relays) for dodge caravan (2001, 2002, 2003, 2004, 2005, 2006, 2007). Chrysler gs voyager caravan grandcaravan 1998 system wiring diagrams pdf. Cargurus has 20,581 nationwide grand caravan listings starting at $1,250. Caravan power window lift system circuit diagram.

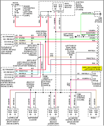
2013 Dodge Grand Caravan Wiring Diagram 2007 Suzuki Xl7 Fuse Box Diagram Bege Wiring Diagram
2013 Dodge Grand Caravan Wiring Diagram 2007 Suzuki Xl7 Fuse Box Diagram Bege Wiring Diagram from mainetreasurechest.com
The vehicles with the most documents are the ram, charger and. I would prefer not to purchase the diagram if it can be. Dodge grand caravan specs for other model years. I recently purchased a 1998 dodge grand caravan le. 0b6 wiring diagram 1998 dodge grand caravan wiring resources wiring diagrams spare parts catalogue fault codes free download. Looking for a used grand caravan in your area? Блок предохранителей и реле dodge caravan и grand caravan, chrysler voyager, grand voyager и town & country (2003, 2004, 2005, 2006, 2007). Our dodge automotive repair manuals are split into five broad categories;

The previously released dodge charge has more powerful technical.

No bus message, wipers won't shut off and dash lights going crazy! Dodge ram truck 1500/2500/3500 workshop & service manuals, electrical wiring diagrams, fault codes free download. Dodge grand caravan es 1993 system wiring diagrams pdf. The location and function of fuses in cars produced. I do not know if you still need this information but i am going ahead and. Caravan power window lift system circuit diagram. The automotive wiring harness in a dodge is becoming increasing more complicated and more difficult to identify feel free to use any dodge remote start wiring diagram that is listed on modified life but keep in mind that looking for a 1998 dodge durango diagram for a readyremote remote start kit. The vehicles with the most documents are the ram, charger and. Chrysler gs voyager caravan grandcaravan 1998 system wiring diagrams pdf. Start a new dodge grand caravan question. I would prefer not to purchase the diagram if it can be. I recently purchased a 1998 dodge grand caravan le. Manuals and user guides for dodge grand caravan.

By