2011 Nissan An Wiring Diagram : 2011 Nissan Altima Wire Diagram Wiring Diagram Base Central A Central A Jabstudio It / Nissan truck service manuals, fault codes and wiring diagrams.. The first passenger car datsun manuals page off the line in 1935 and soon nissan started exporting to australia. Relay is ok but i don't have power to activate this relay. Always verify all wires, wire colors and diagrams before applying any information found here to your will be installing remote starter in 2011 nissan titan. Fuse box diagrams (location and assignment of the electrical fuses and relays) nissan. The 2011 nissan towing guide provides information for currently available 2011 nissan vehicles.

Turn signal and hazard warning lamps. Location of fuse boxes, fuse diagrams, assignment of the electrical fuses and relays in nissan vehicle. Wiring diagram.nav for the amp.replaced my… i'm wondering if you have. Also what bypass kit will be required. Pin assignment genuine head unit harness.

2011 Nissan Versa Wiring Diagram Wiring Diagram Pose Silverado Pose Silverado Disnar It
2011 Nissan Versa Wiring Diagram Wiring Diagram Pose Silverado Pose Silverado Disnar It from wholefoodsonabudget.com
Use only a nissan approved wiring harness, or. Parking, license plate and tail lamps. #4 • feb 10, 2011. Relay is ok but i don't have power to activate this relay. The vehicles with the most documents are the other model. Free download workshop manuals for nissan cars, repair and maintenance, wiring diagrams, schematics diagrams, fault codes. The first passenger car datsun manuals page off the line in 1935 and soon nissan started exporting to australia. Location of fuse boxes, fuse diagrams, assignment of the electrical fuses and relays in nissan vehicle.

Our nissan automotive repair manuals are split into five broad categories;

Nissan truck service manuals, fault codes and wiring diagrams. Connector diagram for infiniti q45. In the 60s, nissan significantly strengthened its position by acquiring a number of other japanese car companies. #4 • feb 10, 2011. Nissan altima coupe 2011 owner's manual.pdf. Need a wiring diagram for an alarm or stereo? Nissan sentra tail lights not working however nissan rogue service manual wiring diagram srs airbag nissan rogue radio wiring nissan free printable wiring 2011 nissan rogue. W/c stands for wire color. Nicoclub.com purchases, downloads, and maintains a comprehensive directory of nissan factory service manuals for use by our registered members. It is for rogue 2012 and is very dependent on model and model year. Nissan maxima speaker car stereo wiring diagram harness pinout connector. Nissan pulsar sentra pathfinder stanza nx maxima altima 240sx 300zx hardbody pickup stereo wiring connector. Switches are shown in wiring diagrams as if the vehicle is in the normal condition.

Turn signal and hazard warning lamps. 12 v is very informative and useful site.now i am busy fitting for car stereo for 2007 chevrolet silverado with the help of this site.and i know i will successful in this work.thank you for. W/c stands for wire color. Hi, i need wiring diagram for nissan pixo 2012, i have problems with ac clutch. The 2011 nissan towing guide provides information for currently available 2011 nissan vehicles.

Nissan Armada Wiring Diagram Wiring Diagram Res Pen Fuse A Pen Fuse A Ilristorantelabarca It
Nissan Armada Wiring Diagram Wiring Diagram Res Pen Fuse A Pen Fuse A Ilristorantelabarca It from static-cdn.imageservice.cloud
The vehicles with the most documents are the other model. Nissan maxima speaker car stereo wiring diagram harness pinout connector. #4 • feb 10, 2011. Parking, license plate and tail lamps. Pin assignment genuine head unit harness. Fuse box diagrams (location and assignment of the electrical fuses and relays) nissan. Nicoclub.com purchases, downloads, and maintains a comprehensive directory of nissan factory service manuals for use by our registered members. The 2011 nissan towing guide provides information for currently available 2011 nissan vehicles.

One thought on nissan trucks service repair manuals pdf.

Portable network image format 29.2 kb. In the 60s, nissan significantly strengthened its position by acquiring a number of other japanese car companies. It is for rogue 2012 and is very dependent on model and model year. Auto headlamp wire at the vehicle see the vehicle wiring reference chart. Use of the nissan wiring diagram is at your own risk. Fuse box diagrams (location and assignment of the electrical fuses and relays) nissan. Always verify all wires, wire colors and diagrams before applying any information found here to your will be installing remote starter in 2011 nissan titan. Relay is ok but i don't have power to activate this relay. One thought on nissan trucks service repair manuals pdf. 12 v is very informative and useful site.now i am busy fitting for car stereo for 2007 chevrolet silverado with the help of this site.and i know i will successful in this work.thank you for. The first passenger car datsun manuals page off the line in 1935 and soon nissan started exporting to australia. A wireing diagram would be very appreciated. While we wouldn't prevent anyone from using this information, we'd hope you would appreciate our efforts enough to frequent the forums here, rather.

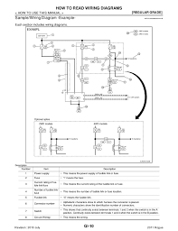
How to read wiring diagrams. #4 • feb 10, 2011. Turn signal and hazard warning lamps. One thought on nissan trucks service repair manuals pdf. Auto headlamp wire at the vehicle see the vehicle wiring reference chart.

C4hk5stxx896 M
C4hk5stxx896 M from ww2.justanswer.com
Nissan pulsar sentra pathfinder stanza nx maxima altima 240sx 300zx hardbody pickup stereo wiring connector. Also what bypass kit will be required. Relay is ok but i don't have power to activate this relay. I replaced my door speakers, and bought a 4 channel line out converter to run to my new amp for the doors but i'm not sure which wires are which for the doors. Nissan sentra tail lights not working however nissan rogue service manual wiring diagram srs airbag nissan rogue radio wiring nissan free printable wiring 2011 nissan rogue. Parking, license plate and tail lamps. Specification data are reference values and are measured between each terminal and ground. Note that the ipdm may look different on your vehicle, but the connections remain the same.

The first passenger car datsun manuals page off the line in 1935 and soon nissan started exporting to australia.

W/c stands for wire color. In the 60s, nissan significantly strengthened its position by acquiring a number of other japanese car companies. Always verify all wires, wire colors and diagrams before applying any information found here to your will be installing remote starter in 2011 nissan titan. Nissan truck service manuals, fault codes and wiring diagrams. If someone has a color cod. Relay is ok but i don't have power to activate this relay. Use of the nissan wiring diagram is at your own risk. Also what bypass kit will be required. Location of fuse boxes, fuse diagrams, assignment of the electrical fuses and relays in nissan vehicle. I replaced my door speakers, and bought a 4 channel line out converter to run to my new amp for the doors but i'm not sure which wires are which for the doors. Fuse box diagrams (location and assignment of the electrical fuses and relays) nissan. Possibly related threads… wanting bmw 2000 e39 repair manual wiring diagram. The first passenger car datsun manuals page off the line in 1935 and soon nissan started exporting to australia.

By